FSN系列谐波减速器柔轮为杯形标准筒结构,在原有的结构上采用了特制铝刚轮,优化了加工工艺,在保证足够的刚度、强度、寿命的情况下,重量减少了30%以上。
FSN系列是我司轻量型产品,不仅机械设备本身轻量化,而且工业机器人的轻量化能够实现其高速化,增加负载重量。
产品特点:
1、杯型结构
2、轻量化结构
3、紧凑简洁的设计
4、无齿隙
5、输入输出同轴
6、优良的定位精度和旋转精度

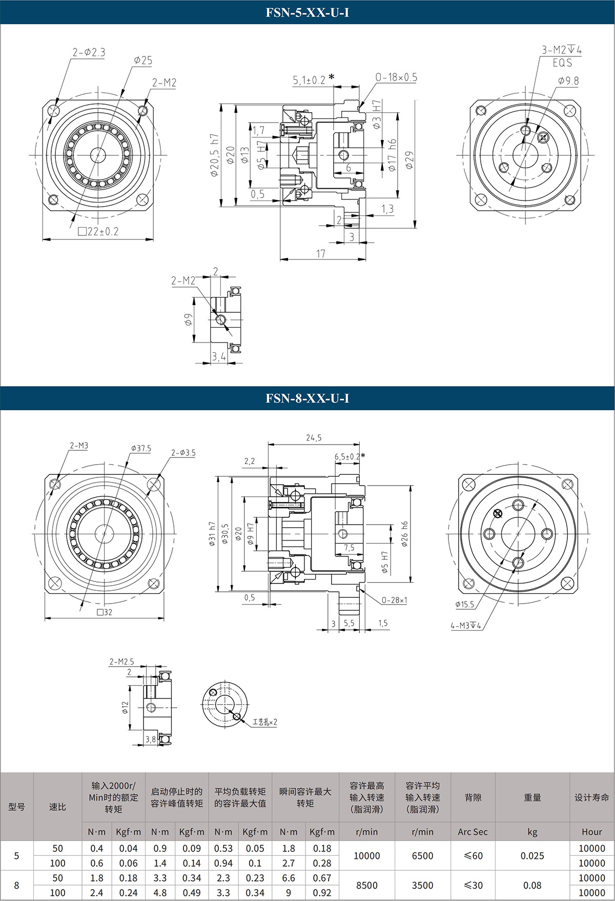
| 型号 | 速比 | 输入2000r/mi n时的额定转矩 | 起动停止时 的容许峰值转矩 | 平均负载转矩的 容许最大值 | 瞬间容许最大转矩 | 容许最高输入转速(脂润滑) | 容许平均输入转速(脂润滑) | 背隙 | 重量 | 设计寿命 | ||||
| Nm | kgfm | Nm | kgfm | Nm | kgfm | Nm | kgfm | r/min | r/min | Arc Sec | kg | Hour | ||
| 8 | 50 | 1.8 | 0.18 | 3.3 | 0.34 | 2.3 | 0.23 | 6.6 | 0.67 | 8500 | 3500 | ≤40 | FSN-I:0.08 | 10000 |
| 100 | 2.4 | 0.24 | 4.8 | 0.49 | 3.3 | 0.34 | 9 | 0.92 | 10000 | |||||
| 11 | 50 | 3.5 | 0.36 | 8.3 | 0.85 | 5.5 | 0.56 | 17 | 1.73 | 8500 | 3500 | ≤30 | FSN-I:0.17 | 10000 |
| 80 | 4.5 | 0.46 | 9.9 | 1.01 | 8 | 0.82 | 22.5 | 2.3 | 10000 | |||||
| 100 | 5 | 0.51 | 11 | 1.12 | 8.9 | 0.91 | 25 | 2.55 | 10000 | |||||
| 14 | 50 | 5.4 | 0.55 | 18 | 1.8 | 6.9 | 0.7 | 35 | 3.6 | 8500 | 3500 | ≤20 | FSN-I/II:0.39 | 10000 |
| 80 | 7.8 | 0.8 | 23 | 2.4 | 11 | 1.1 | 47 | 4.8 | 15000 | |||||
| 100 | 7.8 | 0.8 | 28 | 2.9 | 11 | 1.1 | 54 | 5.5 | 15000 | |||||
| 120 | 7.8 | 0.8 | 28 | 2.9 | 11 | 1.1 | 54 | 5.5 | 15000 | |||||
| 17 | 50 | 16 | 1.6 | 34 | 3.5 | 26 | 2.6 | 70 | 7.1 | 7300 | 3500 | ≤20 | FSN-I/II:0.52 | 10000 |
| 80 | 22 | 2.2 | 43 | 4.4 | 27 | 2.7 | 87 | 8.9 | 15000 | |||||
| 100 | 24 | 2.4 | 54 | 5.5 | 39 | 4.0 | 108 | 11 | 15000 | |||||
| 120 | 24 | 2.4 | 54 | 5.5 | 39 | 4.0 | 86 | 8.8 | 15000 | |||||
| 20 | 50 | 25 | 2.5 | 56 | 5.7 | 34 | 3.5 | 98 | 10 | 6500 | 3500 | ≤20 | FSN-I/II:0.73 | 10000 |
| 80 | 34 | 3.5 | 74 | 7.5 | 47 | 4.8 | 127 | 13 | 15000 | |||||
| 100 | 40 | 4.1 | 82 | 8.4 | 49 | 5.0 | 147 | 15 | 15000 | |||||
| 120 | 40 | 4.1 | 87 | 8.9 | 49 | 5.0 | 147 | 15 | 15000 | |||||
| 160 | 40 | 4.1 | 92 | 9.4 | 49 | 5.0 | 147 | 15 | 15000 | |||||
| 25 | 50 | 39 | 4.0 | 98 | 10 | 55 | 5.6 | 186 | 19 | 5600 | 3500 | ≤20 | FSN-I/II:1.14 | 10000 |
| 80 | 63 | 6.4 | 137 | 14 | 87 | 8.9 | 255 | 26 | 15000 | |||||
| 100 | 67 | 6.8 | 157 | 16 | 108 | 11 | 284 | 29 | 15000 | |||||
| 120 | 67 | 6.8 | 167 | 17 | 108 | 11 | 304 | 31 | 15000 | |||||
| 32 | 50 | 76 | 7.8 | 216 | 22 | 108 | 11 | 382 | 39 | 4800 | 3500 | ≤20 | FSN-I/II:2.47 | 10000 |
| 80 | 118 | 12 | 304 | 31 | 167 | 17 | 568 | 58 | 15000 | |||||
| 100 | 137 | 14 | 333 | 34 | 216 | 22 | 647 | 66 | 15000 | |||||
| 120 | 137 | 14 | 353 | 36 | 216 | 22 | 686 | 70 | 15000 | |||||
| 40 | 50 | 137 | 14 | 402 | 41 | 196 | 20 | 686 | 70 | 4000 | 3000 | ≤20 | FSN-I/II:3.64 | 10000 |
| 80 | 206 | 21 | 519 | 53 | 284 | 29 | 980 | 100 | 15000 | |||||
| 100 | 265 | 27 | 568 | 58 | 372 | 38 | 1080 | 110 | 15000 | |||||
| 120 | 294 | 30 | 617 | 63 | 451 | 46 | 1180 | 120 | 15000 | |||||
● 轻量化结构,通过优化形状设计和应用轻量材料, 使产品重量成功减少30%
● 柔轮为杯形标准筒结构,配合高刚性满滚子十字交叉轴承
● FS齿型设计,自研CMP热处理工艺,1um轨迹精磨
● 结构设计紧凑简洁,无齿隙,电机直连,安装便利
● 输入输出同轴
● 优良的定位精度和旋转精度
A:
可以。不管是尺寸, 材质, 还是应用场景,我司支持非标全方案定制, 工程师快速响应并提供解决方案和定制化图纸。
A:
我司采用超高强度中低碳合金刚材质, 高刚性满滚子十字交叉轴承,可用于直接支撑外部负载,具有高机能性、高速化、高转矩等优点。
A:
有。我司提供免费电子版样册和纸质版样册。如有需要, 请拨打全国服务热线: 400-969-0600
A:
我司选用减速器专用油脂, 具有良好的低温启动性能和抗氧化、抗级压能力, 抑制噪音, 良好的油脂流动性, 可提高减速器寿命内的连续工作能力。
A:
可以。客户可以选择购买标品或者非标样品进行测试, 我司提供全程技术指导; 体量客户或者特别项目, 我司均可免费提供样品测试。
A:
我司现货下单后24小时内可发货; 非标定制产品, 双方确认图纸后3-5周可交付发货。
A:
是的。我司拥有30,000平方米标准厂房,在浙江、苏州、南京等地设立多个产品研发中心, 研发工程师团队70人以上, 并获得国家高新技术企业、国家级专精特新“小巨人”企业、省级高新技术企业研发中心等荣誉。
A:
1年质保, 终身维护。质保期内产品如出现故障或质量问题, 我司均提供免费更换; 如有需要, 也可提供技术工程师现场服务。
A:
可以。来福拥有成熟的解决方案团队和经验,接受客户对关节模组在功率、扭矩、减速比、尺寸等不同方面上的定制要求, 为其提供高效专业的定制解决方案。
A:
1、模组长时间过载使用,建议选择更大规格的模组
2、模组故障:电机磁钢脱落后摩擦生热;电机绕组损坏导致电机过热;更换模组
3、减速机运行有异常;更换模组
LS系列谐波减速器安装视频
杯型谐波减速器安装视频








请把您的需求留言,我们为您提供专业的解决方案